info@mehprivod.ru
ООО Мехтехника
Тел.: 8 (800) 505-36-88

Цилиндрические двухступенчатые мотор-редукторы 1МЦ2С, 1МЦ2С-63Н, 1МЦ2С-80Н, 1МЦ2С-100Н, 1МЦ2С-125Н

Цилиндрические двухступенчатые мотор-редукторы 1МЦ2С, 1МЦ2С-63Н, 1МЦ2С-80Н, 1МЦ2С-100Н, 1МЦ2С-125Н

Цилиндрические мотор редукторы 1МЦ2С, 1МЦ2С-63Н, 1МЦ2С-80Н, 1МЦ2С-100Н, 1МЦ2С-125Н изготовлены по соосной схеме с применением зацепления Новикова. Привода являются агрегатами общего назначения и могут применяться в производство любого направления. По своим конструктивным и техническим характеристикам мотор редукторы 1МЦ2С идентичны 4МЦ2С и могут заменять их в случае необходимости. Имеется возможность вращения выходного вала в обоих направлениях. Допускается эксплуатация в сложных условиях в температурном режиме от -40C до +50С. Корпус редуктора изготовлен из алюминия или чугуна и окрашен специальным лаком, защищающим его от агрессивного воздействия внешней среды. Применяются мотор-редукторы в различных сферах промышленности: металлургия, машиностроение, добыча полезных ископаемых и сельское хозяйство. Для удобства при монтаже имеются два варианта крепления опорный фланец со стороны выходного вала или литые лапы в нише корпуса. При соблюдении технических требований цилиндрический мотор редуктор 1МЦ2С может работать до 24 часа в сутки. Смазка цилиндрических пар осуществляется трансмиссионным маслом марки трансол 200.

Цена: от 12 800 руб.

Базовые условия использования цилиндрических мотор-редукторов:

  • Мотор-редукторы работают от сети 50/60Гц (220/380В);
  • Продолжительность работы до 24 часов в сутки, с перерывами – 8 часов;
  • Мотор-редуктор реверсивный;
  • Особенности внешней среды использования оборудования: невзрывоопасная, концентрация непроводящей пыли меньше 10 мг/м.куб.;
  • Климатические типы исполнения мотор-редукторов: «У» - категория размещения 3 (температура воздуха от -40°С до +40°С, применение в закрытых помещениях, имеющих естественную вентиляцию, отсутствие  искусственно регулируемых климатич. условий), а также исполнение «Т» - категория размещения 2 (температура -10°С - +45°С, использование в помещении);
  • Максимальная высота над уровнем моря не превышает 1000 метров;

Примечание: Работа мотор-редуктора 1МЦ2С в комплексе с грузоподъемными установками не допускается.

Общее описание:

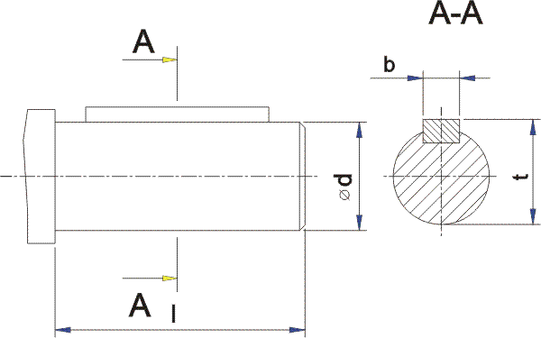
Габаритные и присоединительные размеры (исполнение на лапах) 1МЦ2С63H-1МЦ2С100H

Габаритные и присоединительные размеры (исполнение на лапах) 1МЦ2С63H-1МЦ2С100H

РИС 1. Габаритные и присоединительные размеры (исполнение на лапах)

Монтажное исполнение 1МЦ2С63H-1МЦ2С100H

Обозначение мотор-редуктора

Частота вращения вых. вала, об/мин

L

B

H

l

l1

l2

l3

l4

b

b1

b2

d

d1
4 отв

h

h1

t

не более

1МЦ2С-63Н

28...71

465

200

265

60

48

110

15

160

8

185

150

28k6

12

140

16

31

90

490

200

265

112...180

515

250

275

1МЦ2С-80Н

28; 35,5; 45; 56

547

200

305

80

75

115

20

175

10

220

180

35k6

15

170

18

38

71...160

601

250

317

1МЦ2С-100Н

28...90

675

260

377

110

102

130

20

195

14

255

210

45k6

15

212

22

48,5

ТАБЛ 1. Габаритные и присоединительные размеры

Технические характеристики

Наименование мотор-редуктора

Номинальная частота вращения вых. вала, об/мин

Номинальный крутящий момент на выходном валу, Нм

Масса, кг

h редукторной части

Двигатель

Тип

Мощность, кВт

1МЦ2С-63Н

28

112

27

62

АИР71А6

0,37

160

66

АИР71В6

0,55

35,5

140

170

29

АИР80А6

0,75

45

106

27

АИР71В4

0,55

140

29

67

АИР80В4

0,75

56

132

27

72

АИР71В4

0,75

170

30

АИР80А4

1,1

71

100

27

АИР71В4

0,75

140

30

АИР80А4

1,1

90

118

150

32

74

АИР80В4

1,5

112

118

170

38

77

АИР90L4

2,2

140

95

32

74

АИР80В4

1,5

140

33

77

АИР90L4

2,2

180

80

32

74

АИР80В4

1,5

112

38

АИР90L4

2,2

1МЦ2С-80Н

28

236

37

67

АИР80А6

0,75

335

41

71

АИР80В6

1,1

35,5

180

37

67

АИР80А6

0,75

265

41

71

АИР80В6

1,1

45

224

300

45

72

АИР90L6

1,5

56

250

41

74

АИР80Â4

1,5

355

46

77

АИР90L4

2,2

71

280

355

51

78

АИР100S4

3,0

90

236

46

77

АИР90L4

2,2

335

51

78

АИР100S4

3,0

112

180

46

77

АИР90L4

2,2

236

51

78

АИР100S4

3,0

315

57

81

АИР100L4

4,0

140

200

51

78

АИР100S4

3,0

265

57

81

АИР100L4

4,0

180

160

51

78

АИР100L4

3,0

212

57

81

АИР100L4

4,0

1МЦ2С-100Н

28

522

70

71

АИР100L8СВ

1,5

35,5

550

77

79

АИР100L6СВ

2,2

45

455

74

79

АИР100L6СВ

2,2

56

514

73

80

АИР100S4СВ

3,0

71

553

80

82

АИР100L4СВ

4,0

90

422

80

82

АИР100L4

4,0

Пример условного обозначения при заказе

Мотор-редуктор 1МЦ2С-100Н-56-110УЗ, 380 В, где:

1МЦ2С - тип мотор-редуктора
100 - межосевое расстояние
Н - с зацеплением Новикова
56 - частота вращения выходного вала, об/мин
G110 - крепление лапы
У3 - климатическое исполнение (У) и категория размещения (3)
380В - номинальное напряжение сети переменного тока