Устройства плавного пуска PROSTAR серии PRS2

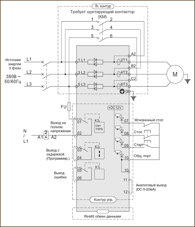
Устройство плавного пуска PROSTAR предназначено для ограничения пускового момента, плавного пуска и торможения асинхронных двигателей. С помощью упп PROSTAR можно улучшить пусковые характеристики асинхронных двигателей также обеспечить контролируемый, безударный, плавный пуск, позволяя при этом исключить механические удары. Цифровая система управления отслеживает процесс работы, как на время пуска, так и на время перехода на шунтирующий контактор. Силовая часть упп изготовлена на базе трех симисторов известных европейских производителей полупроводниковой техники и имеет трехкратный запас по току. Также упп PROSTAR имеет функцию ограничения пускового тока, которая автоматически увеличивает время разгона или остановки, чтобы не превысить заданную величину. Не маловажный фактор в пользу выбора устройства плавного пуска PROSTAR это встроенная панель управления с ЖК экраном, где отображаются различные параметры работы электродвигателя (ток, напряжение, время разгона и остановки и т.д.). Цены на упп Вас приятно удивят при этом качество упп превосходное.
Цена: от 8 810 руб.
УПП PRS2 – Руководство по эксплуатации.pdf
Устройства плавного пуска PRS2 с успехом выполняют следующие функции:
- Контролируемый запуск электродвигателя
- Контролируемая остановка электродвигателя
- Электронная защита электродвигателя как в процессе запуска, так и в длительном режиме
Общее описание
Основные параметры УПП
|
Питающее напряжение U (3ф) |
380 В ± 15% |
|---|---|
|
Частота |
50 Гц |
|
Применяемые моторы |
Асинхронные с коротко замкнутым ротором |
|
Диапазон подключаемых электродвигателей |
11 – 500 кВт |
|
Частота пусков |
Не более 20 раз в час |
|
Степень защиты |
IP20 |
|
Стойкость к вибрациям |
Высота до 3000м, вибрационное усилие до 0.5g |
|
Температура эксплуатации |
-15...+40 без потери мощности |
|
Окружающая влажность воздуха |
95% без образования конденсата |
|
Максимальная рабочая высота |
Без потерь мощности на высоте до 1000 м |
|
Система охлаждения |
Естественное |
Схема подключения УПП

Информация для заказа УПП
|
ЭЛЕКТРОДВИГАТЕЛЬ |
УПП |
|
|---|---|---|
|
Мощнность (кВт) |
Ток (А) |
Модель |
|
15 |
28 |
PRS2 015 |
|
18.5 |
34 |
PRS2 018 |
|
22 |
42 |
PRS2 005 |
|
30 |
54 |
PRS2 030 |
|
37 |
68 |
PRS2 037 |
|
45 |
80 |
PRS2 045 |
|
55 |
98 |
PRS2 055 |
|
75 |
128 |
PRS2 075 |
|
90 |
160 |
PRS2 090 |
|
115 |
190 |
PRS2 115 |
|
132 |
236 |
PRS2 132 |
|
160 |
290 |
PRS2 160 |
|
200 |
367 |
PRS2 200 |
|
250 |
430 |
PRS2 250 |
|
280 |
470 |
PRS2 280 |
|
320 |
547 |
PRS2 320 |
|
400 |
725 |
PRS2 400 |
|
500 |
915 |
PRS2 500 |
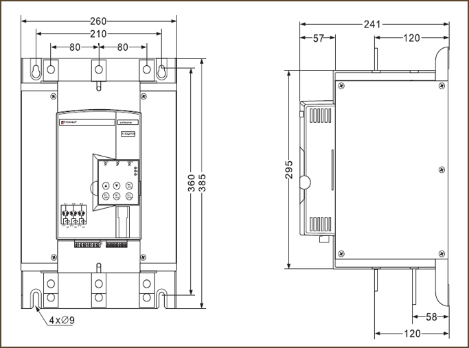
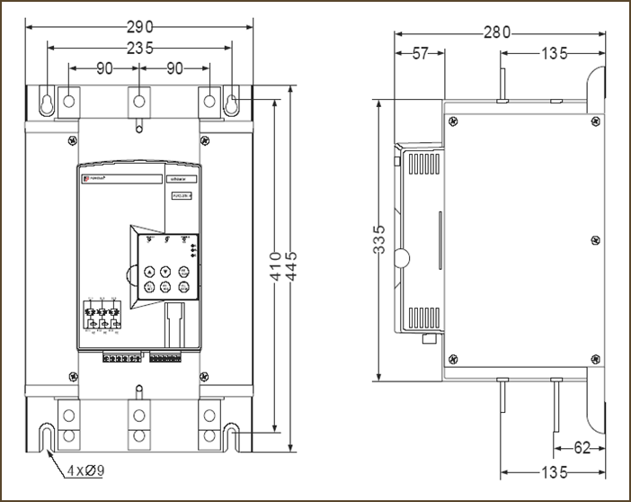
Габаритные и присоединительные размеры УПП

Устройства PRS2 005 … PRS 075

Устройства PRS 090 … PRS 200

Устройства PRS 250 … PRS 500
| Электродвигатель | УПП | Шунтирующий контактор | |||||
| Мощнность (кВт) | Ток (А) | Модель | Масса, кг | Стоимость, руб. с НДС | Модель | Ток (А) | Стоимость, руб. с НДС |
| 15 | 28 | PRS2 015 | 4,39 | 8700 | NLC1-D032 | 32 | 700 |
| 18,5 | 34 | PRS2 018 | 4,39 | 9080 | NLC1-D040 | 40 | 900 |
| 22 | 42 | PRS2 022 | 5,14 | 9500 | NLC1-D050 | 50 | 1000 |
| 30 | 54 | PRS2 030 | 5,14 | 10900 | NLC1-D065 | 65 | 1500 |
| 37 | 68 | PRS2 037 | 5,14 | 12400 | NLC1-D080 | 80 | 2000 |
| 45 | 80 | PRS2 045 | 5,14 | 14550 | NLC1-D095 | 95 | 2500 |
| 55 | 98 | PRS2 055 | 5,17 | 19900 | NLC1-D0115 | 115 | 3300 |
| 75 | 128 | PRS2 075 | 5,17 | 25800 | NLC1-D0150 | 150 | 4500 |
| 90 | 160 | PRS2 090 | 17,9 | 32700 | NLC1-D0170 | 170 | 5900 |
| 115 | 190 | PRS2 115 | 17,9 | 37100 | NLC1-D0205 | 205 | 7100 |
| 132 | 236 | PRS2 132 | 17,9 | 41300 | NLC1-D0245 | 245 | 9600 |
| 160 | 290 | PRS2 160 | 17,9 | 48900 | NLC1-D0300 | 300 | 11500 |
| 200 | 367 | PRS2 200 | 28,3 | 56100 | NLC1-D0410 | 410 | 14900 |
| 250 | 430 | PRS2 250 | 28,3 | 64900 | NLC1-D0475 | 475 | 18900 |
| 320 | 547 | PRS2 320 | 28,3 | 77900 | NLC1-D0620 | 620 | 24800 |
| 400 | 725 | PRS2 400 | 28,3 | 90800 | |||
| 500 | 915 | PRS2 500 | 30 | 130400 | |||